产品分类
VALUE
产品展示
PRODUCTS
法兰式双偏心软密封蝶阀D343X 型 PN6、PN10

一、D343X 型 PN6、PN10 法兰式双偏心软密封蝶阀 产品用途
D343X 型 PN6、PN10 法兰式双偏心软密封蝶阀适用于温度≤120℃,公称压力≤1.6MPa的食品、医药、化工、石油、电力、轻纺、造纸等给排水、气体管道上作调节流量和截流介质的作用。
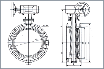
二、D343X 型 PN6、PN10 法兰式双偏心软密封蝶阀 主要外形和连接尺寸
| 公称通径 | 结构长度 | 外形尺寸 | 连接尺寸 | |||||||||||||||
| 0.6MPa | 1.0MPa | 1.6MPa | ||||||||||||||||
| mm | Inch | L | H | H0 | A | B | D | D1 | D2 | n-d | D | D1 | D2 | n-d | D | D1 | D2 | n-d |
| 50 | 2 | 108 | 82.5 | 338 | 180 | 65 | 140 | 110 | 88 | 4-14 | 165 | 125 | 99 | 4-18 | 165 | 125 | 99 | 4-18 |
| 65 | 2? | 112 | 92.5 | 358 | 180 | 65 | 160 | 130 | 108 | 4-14 | 185 | 145 | 118 | 4-18 | 185 | 145 | 118 | 4-18 |
| 80 | 3 | 114 | 100 | 413 | 245 | 70 | 190 | 150 | 124 | 4-18 | 200 | 160 | 132 | 8-18 | 200 | 160 | 132 | 8-18 |
| 100 | 4 | 127 | 110 | 428 | 240 | 72 | 210 | 170 | 144 | 4-18 | 220 | 180 | 156 | 8-18 | 220 | 180 | 156 | 8-18 |
| 125 | 5 | 140 | 125 | 444 | 240 | 72 | 240 | 200 | 174 | 8-18 | 250 | 210 | 184 | 8-18 | 250 | 210 | 184 | 8-18 |
| 150 | 6 | 140 | 142.5 | 553 | 350 | 93 | 265 | 225 | 199 | 8-18 | 285 | 240 | 211 | 8-22 | 285 | 240 | 211 | 8-22 |
| 200 | 8 | 152 | 170 | 678 | 350 | 93 | 320 | 280 | 254 | 8-18 | 340 | 295 | 266 | 8-22 | 340 | 295 | 266 | 12-22 |
| 250 | 10 | 165 | 197.5 | 742 | 550 | 350 | 375 | 335 | 309 | 12-18 | 395 | 350 | 319 | 12-22 | 405 | 355 | 319 | 12-26 |
| 300 | 12 | 178 | 222.5 | 803 | 600 | 350 | 440 | 395 | 363 | 12-22 | 445 | 400 | 370 | 12-22 | 460 | 410 | 370 | 12-26 |
| 350 | 14 | 190 | 252.5 | 866 | 600 | 350 | 490 | 445 | 416 | 12-22 | 505 | 460 | 429 | 16-22 | 520 | 470 | 429 | 16-26 |
| 400 | 16 | 216 | 282.5 | 940 | 600 | 350 | 540 | 495 | 463 | 16-22 | 656 | 515 | 480 | 16-26 | 580 | |||